
来源:本站 作者:匿名 发布:2018-06-27 修改:2018-06-27 隶属于:行业新闻
WS.WSD小型十字轴式万向联轴器有单双节之分,每节最大转动角度为45度,十字轴式万向联轴器适合于各种通用机械的场,最高转速可达1000转/分钟,十字轴式万向联轴器主要应用于轧机主传动和辅机传动,也适用于起重、矿山、工程、车辆运输、石油、船舶、造纸机械及其它重型机械行业
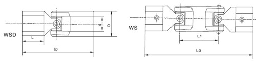
那么我们怎样根据设备的轴径来选择WSD型十字万向联轴器的规格呢?下面具体介绍一下各种规格的WSD万向联轴器的配套规格
WSD1外径:16 内孔:8-10
WSD2外径:16 内孔:10-12
WSD3外径:16 内孔:12-14
WSD4外径:16 内孔:16-18
WSD5外径:16 内孔:19-22
WSD6外径:16 内孔:24-28
WSD7外径:16 内孔:30-35
WSD8外径:16 内孔:38-42
其它非标尺寸,可来电来图咨询,我厂提供非标联轴器的定制加工业务,需要提供的主要尺寸可根据原理图上的图标进行测量。

WS.WSD小型十字轴式万向联轴器具有哪些优势特点?
1、承载能力高 与其它型式的万向联轴器比较,在回转直径相同的条件下,能传递更大的扭矩,这对于回转直径受到严格限制的机械设备更为重要;
2、传递效率高 传递效率高达98.7-99.9%,用于大功率传动节能显著,可降低电耗5-15%;
3、传动平稳、噪音低 用于轧机传动,可提高轧材质量,提高机器性能,改善操作者的劳动条件。一般噪声为30-40db(A);
4、结构合理,使用安全可靠,寿命长;
5、许用倾角大,可达10°-25°。